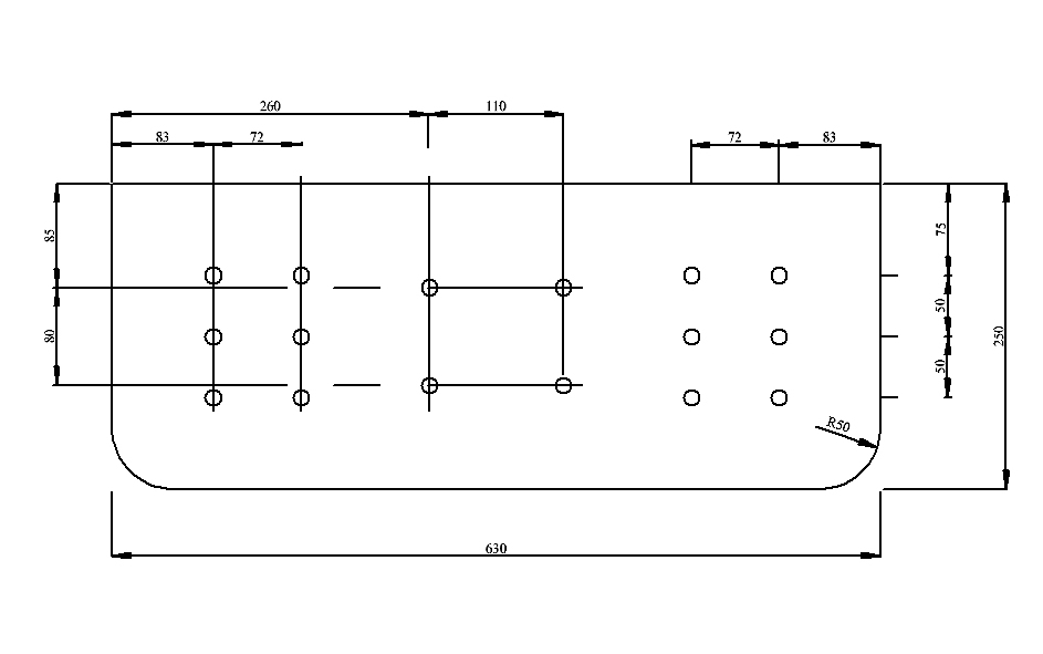
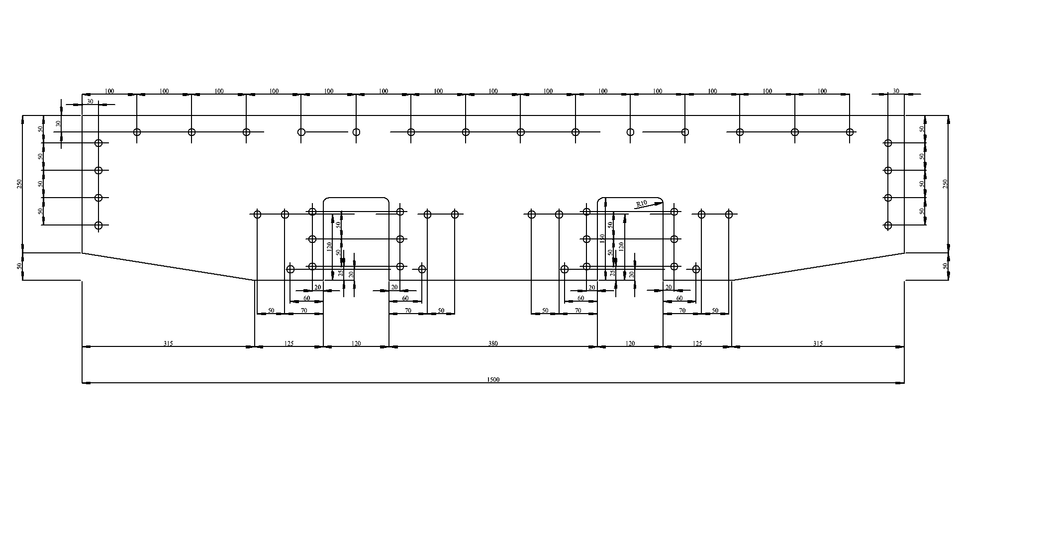
This was drawn in TurboCad v12. Some aspects of the design (e.g. the suspension beams) are probably best described as illustrative - the exact design and dimensions will be finalised later.
The loco will use a Lister D stationary engine to provide power, transmission will be either mechanical or hydraulic. Estimated weight will be about 500 Kgs.

Dimensioned drawing of frames and buffer beams. Note that the dimension lines have suffered somewhat in the conversion to jpg format, particularly on the buffer beams drawing.